1.2-1- (Bis 3/96) und 1,4-l-motor

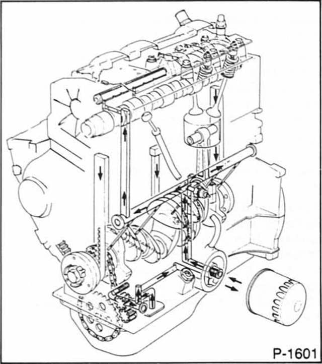
Die ölpumpe saugt das motoröl aus der ölwanne an und drückt es in den hauptstromölfilter. An der druckseite der ölpumpe befindet sich ein überdruckventil (öldruckregelventil).
Bei zu hohem öldruck öffnet das ventil, und ein teil des öls kann in die ölwanne zurückfließen.
Durch die mittelachse der auswechselbaren ölfilterpatrone (siehe abbildung) gelangt das gefilterte öl in den hauptölkanal.
Dort sitzt auch der öldruckschalter, der über die öldruck- kontrollampe im schalttafeleinsatz dem fahrer zu niedrigen öldruck signalisiert. Bei verstopftem ölfilter leitet ein kurzschlußventil das öl direkt und ungefiltert in den hauptölkanal.
Vom hauptölkanal zweigen kanäle ab zur schmierung der kurbelwellenlager. Durch schräge bohrungen in der kurbelwelle wird das öl an die pleuellager geleitet.
Gleichzeitig gelangt motoröl über steigleitungen in den zylinderkopf und versorgt dort nockenwellenlager, kipphebel und ventilschäfte.
1,8-L-benzin- und 1,9-l-dieselmotoren
Auch bei diesen motoren sitzt die zahnradölpumpe in der ölwanne.
Sie wird jedoch nicht wie beim 1,2-1- (bis 3/96) und 1,4-l-motor über eine rollenkette direkt von der kurbelwelle, sondern vom motor-zahnriemen über die zwischenwelle angetrieben.
Ölfilter und öldruckregelventil sitzen an gleicher stelle wie beim 1,2-1- (bis 3/96) und 1,4-l-motor.
1,2-L-motor (ab 4/96)
Bei diesem motor wird die zahnradölpumpe über eine klauenkupplung direkt von der kurbelwelle angetrieben. Die pumpe ist hinter der kurbelwellenriemenscheibe im ölpumpengehäuse untergebracht. Der ölfilter ist unten rechts am ölpumpengehäuse angeschraubt.
Einbau
Achtung: vor dem einbau prüfen, ob sich der wischermotor in
endstellung befindet. Dazu kurzzeitig mehrfachstecker aufschieben
und batterie anschließen. Motor kurz laufen lassen
und anschließend mit wischerschalter ausschalten, damit der
motor in end ...
Ausbau
Radschrauben bei auf dem boden stehendem fahrzeug
lösen.
Felge zur radnabe mit farbe kennzeichnen. Dadurch kann
das ausgewuchtete rad wieder an gleicher stelle montiert
werden.
Fahrzeug vorn aufbocken, rad abnehmen.
Kontermutter - ...
Copyright www.renclio.org | Renault Clio Betriebsanleitung und Reparaturanleitung