Achtung: bei ausgebauten bremsbelägen nicht auf das bremspedal treten, sonst wird der kolben aus dem gehäuse herausgedrückt.

Achtung: wenn die staubkappe ausgetauscht wird, kolbenende und die beiden führungen mit spiritus reinigen und einfetten.

Es geht auch mit einem hartholzstab (hammerstiel), dabei jedoch besonders darauf achten, daß der kolben nicht verkantet wird und kolbenfläche sowie staubkappe nicht beschädigt werden.
Achtung: beim zurückdrücken der kolben wird bremsflüssigkeit aus den bremszylindern in den ausgleichbehälter gedrückt. Flüssigkeit im behälter beobachten, eventuell bremsflüssigkeit mit einem saugheber absaugen. Zum absaugen eine entlüfterflasche oder eine plastikflasche verwenden, die nur mit bremsflüssigkeit in berührung kommt.
Keine trinkflaschen verwenden! Bremsflüssigkeit ist giftig und darf auf gar keinen fall mit dem mund über einen schlauch abgesaugt werden. Saugheber verwenden. Auch nach dem belagwechsel darf die "m axi"-marke am bremsflüssigkeitsbehälter nicht überschritten werden, da sich die flüssigkeit bei erwärmung ausdehnt. Ausgelaufene bremsflüssigkeit läuft am hauptbremszylinder runter, zerstört den lack und führt zur korrosion.
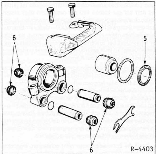
Achtung: bei hohem bremsbelagverschleiß leichtgängigkeit des kolbens prüfen. Dazu holzklotz in den bremssattel einsetzen und durch helfer langsam auf das bremspedal treten lassen.
Der bremskolben muß sich leicht heraus- und hineindrükken lassen. Zur prüfung muß der andere bremssattel eingebaut sein. Darauf achten, daß der bremskolben nicht ganz herausgedrückt wird. Bei schwergängigem kolben bremssattel instandsetzen (werkstattarbeit). Wurde der kolben versehentlich herausgedrückt, muß das bremssystem nach dem einsetzen des kolbens entlüftet werden, siehe.

Achtung: die bremsbeläge mit anschluß für das kabel der verschleißkontrolle müssen innen montiert werden.

Achtung: fahrzeuge mit bendix-bremse sind in abhängigkeit des radbremszylinder-durchmessers entweder mit symmetrischen oder asymmetrischen bremsbelägen ausgestattet: bremszylinder-durchmesser 45 mm (1,1-l-motor): symmetrische beläge; bremszylinder-durchmesser 48 mm: asymmetrische bremsbeläge. Asymmetrische bremsbeläge weisen nur eine rundung in - a - auf, anstelle der 2 rundungen bei den symmetrischen bremsbelägen. Außerdem sitzt die nut - b - bei den asymmetrischen belägen etwas außerhalb der mitte.


Der bremsbelag mit dem anschluß für die verschleißkontrolle wird immer innen montiert.

Fahrzeug ablassen und radschrauben mit 90 nm über kreuz festziehen.
Achtung: bremspedal im stand mehrmals kräftig niedertreten, bis fester widerstand spürbar ist.
Achtung: bis zu einer fahrstrecke von ca. 200 Km sollten keine unnötigen gewaltbremsungen vorgenommen werden.
Ausbau
Kühlmittel ablassen und auffangen, siehe kapitel "wartung "
1,2-1- (Bis 3/96) und 1,4-l-motor: kühlmittelschlauch am
zylinderkopf abziehen, vorher schelle lösen und zurückschieben.
Schrauben -pfeile- herausdrehen und thermo ...
Automatikgetriebe
Fahrstufenwahlhebel 1
P: parkstellung
R: rückwärtsgang
N: leerlaufstellung
D: regelautomatik
M: manueller modus
+: Hochschalten
-: Zurückschalten
4: Anzeige des im manuellen modus eingelegten
ganges.
Hinweis: drücken sie auf den knopf 2 ...
Copyright www.renclio.org | Renault Clio Betriebsanleitung und Reparaturanleitung